KHÁI QUÁT CỬA XẾP LÁ NHỰA
Cửa xếp lá nhựa là sản phẩm được Quang Minh đầu tư, nghiên cứu phát triển và ra mắt vào năm 2023.
Ngay những ngày đầu ra mắt, đây đã là sản phẩm luôn được khách hàng săn đón không chỉ bởi công năng ngăn nhiệt hiệu quả mà còn bởi thiết kế vô cùng thẩm mỹ.
1. Công năng - Ứng dụng.
Cửa xếp lá nhựa lắp đặt các vị trí cửa đi, cửa sổ, vách ngăn phòng, ô thoáng... giúp ngăn thất thoát nhiệt điều điều hòa, ngăn mùi, ngăn côn trùng xâm nhập vào nhà.
Ưu điểm:
Vận hành êm nhẹ, dễ dàng sử dụng.
Dễ dàng vệ sinh làm sạch.
Sản phẩm có tuổi thọ cao trên 10 năm.
Kiểu dáng hiện đại.
Khung nhôm dày, chắc chắn, phù hợp với các cửa lắp đặt trong khung và ngoài khung với mọi kích thước trong khoảng giới hạn.
Có thể liên kết nhiều cánh với nhau để tăng chiều rộng cửa.
2. Nguyên lý hoạt động.
Để đóng cửa: Cầm vào tay nắm trên thanh cánh cửa và kéo hết khi cửa đóng hoàn toàn, vặn chìa khóa theo chiều kim đồng hồ một vòng để khóa lại.
Để mở cửa: Vặn chìa khóa ngược chiều kim đồng hồ một vòng, sau đó cầm vào tay nắm trên thanh cánh cửa và kéo ngược lại đến khi các lá nhựa nhựa xếp lại hết.
Cửa xếp lá nhựa có thể dừng ở bất cứ vị trí nào trên đường ray nhờ hệ thống bánh xe treo.
3. Kích thước
Kích thước tiêu chuẩn: là kích thước giúp cửa hoạt động ổn định, đảm bảo tuổi thọ như cam kết.
- Chiều rộng: Kích thước nhỏ nhất: 398mm - Kích thước lớn nhất: 12000mm.
- Chiều cao: Kích thước nhỏ nhất: 530mm - Kích thước lớn nhất: 4000mm.
Kích thước ngoài tiêu chuẩn: Là kích thước tối đa cửa có thể đạt tới, cửa có thể hoạt động không ổn định và tuổi thọ không cao.
- Chiều rộng toàn bộ cửa có thể đạt tới 12000mm.
- Chiều cao: Kích thước nhỏ nhất: 4000mm - Kích thước lớn nhất: 4800mm.
4. Đặc điểm cấu tạo khác biệt.
4.1. Khung nhôm
Khung nhôm được làm từ vật liệu hợp kim nhôm 6063 - T6 có độ cứng đạt 12÷15 Wechsler.
Biên dạng nhôm được chúng tôi chủ động hoàn toàn trong thiết kế bản vẽ khung nhôm, vì thế khách hàng có thể cảm nhận được sự thanh thoát, thẩm mỹ nhưng vẫn đảm bảo các yêu cầu kỹ thuật theo đúng tôn chỉ của Cửa lưới Quang Minh.
Tất cả các biên dạng nhôm đều được chúng tôi đăng kí bảo hộ kiểu dáng công nghiệp.
Độ dày nhôm từ 0.8mm - 2.0mm.
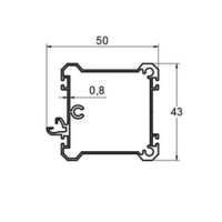
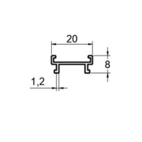
Mặt cắt nhôm
| Ray trên | Ray dưới | Cánh | Khung đứng |
 |  |  |  |
| Nối khung | Nối lá | Bù 5 | Bù 10 |
 |  |  |  |
Khung nhôm được phủ lớp sơn tĩnh điện Akzonobel (Hà Lan) hoặc phủ phim màu vân gỗ theo tiêu chuẩn kỹ thuật khắt khe từ các nhà máy nhôm uy tín, lâu đời trên thị trường, đảm bảo độ bền cao, không bong tróc, bay màu.
Bảng màu khung nhôm
Chúng tôi có 5 màu nhôm cơ bản:
| Đen (DEN) | Ghi (GHI) | Trắng sứ (TS) | Nâu cà phê (CF) | Vân gỗ (VG) |
 | .jpg) | .jpg) | .jpg) | .png) |
4.2. Đặc điểm khác biệt về phụ kiện
Chi tiết nhựa và nguyên vật liệu cấu thành.
Cửa lưới Quang Minh luôn đặt trọng tâm và nghiên cứu cải tiến sản phẩm liên tục để mang đến những sản phẩm tốt nhất cho khách hàng, vì thế chúng tôi đã nhập khẩu máy ép nhựa từ Đài Loan và đặt hàng sản xuất riêng cho khuôn ép nhựa uy tín, là đối tác lâu năm của các thương hiệu lớn đến từ Nhật Bản, Hàn Quốc...
Từ đó chúng tôi chủ động hoàn toàn trong sản xuất, giúp thay đổi cải tiến mẫu mã, nâng cao chất lượng bề mặt và tuổi thọ cho từng chi tiết.
Tất cả chi tiết nhựa đã được chúng tôi đăng ký bảo hộ kiểu dáng công nghiệp.
Vật liệu cấu thành:
Các chi tiết nhựa trong cửa xếp lá nhựa được sản xuất từ những nguyên liệu nhựa có đặc tính kỹ thuật cao như POM, PA66 được nhập khẩu từ Đài Loan và Hàn Quốc.
Những kỹ thuật POM và PA66 có khả năng chống rạn nứt, chống va đập, ổn định nhiệt, chống mài mòn, khánh hóa chất đều ở mức cao, tính chất cách điện tốt, dễ dàng sử lý, bền mặt sáng đẹp, thẩm mỹ. Không bị ảnh hưởng bởi môi trường.
4.3 Lá nhựa
Cửa xếp lá nhựa được làm từ nhựa Polycarbonate. Lá nhựa được Quang Minh nhập khẩu từ Trung Quốc.
Đặc tính:
Ngăn lạnh, cách nhiệt.
Ngăn phòng
Lá nhựa Polycarbonate bền với ánh sáng và nhiệt độ cao, không hấp thụ chất bẩn và dễ vệ sinh. Độ bền màu trên 10 năm.
Quy cách lá nhựa:
Độ dày lá nhựa: 0.65mm đến 0.75mm
Chiều rộng lá nhựa: 40mm, 60mm, 80mm
Màu sắc: Trong suốt và trắng đục
| Lá nhựa trong suốt | Lá nhựa trắng đục |
 |  |
5. Một số hình ảnh thi công thực tế
 |  |  |
 |  |  |
| Thi công lắp đặt cửa xếp lá nhựa trắng trong |
 |  |  |
| Thi công lắp đặt cửa xếp lá nhựa trắng đục |